🟢 沁园售楼处电话:400-185-8505【☎售楼处已认证】✦❇❇❇❇
🟢 沁园开发商电话:400-185-8505【☎开发商已认证】✦❇❇❇❇
✅本项目暂不接受临时到访,过来参观样板房请记得提前来电预约!
🟢 沁园营销中心电话:400-185-8505【☎营销中心已认证】✦❇❇❇❇
🟢 沁园展示中心电话:400-185-8505【☎营销中心已认证】✦❇❇❇❇
✅◆开发商营销中心诚挚邀请,一键预约,尊享内部折扣!匠心独运的精品项目,恭候您的品鉴与选择。
项目位于北京朝阳区豆各庄,西邻东五环干线,东邻黄厂地铁站,北邻惠多港购物中心,东南处是马家湾湿地公园。

沁园项目整体景观面积约为49864平米,将其中的中心景观区作为展示区的范围,展示区景观面积约为2500平米。(下图红色区域为展示区范围)

展示区的入口位于场地东北角,对接园区东侧现状车行道,入口至样板间为看房通道,中间为阳光草坪,四周漫步道形成环游路线,串联北侧的水景休闲区,西侧的木平台休息区及南侧的休憩区。

🟢 沁园售楼处电话:400-185-8505【☎售楼处已认证】✦❇❇❇❇
🟢 沁园开发商电话:400-185-8505【☎开发商已认证】✦❇❇❇❇
✅本项目暂不接受临时到访,过来参观样板房请记得提前来电预约!
🟢 沁园营销中心电话:400-185-8505【☎营销中心已认证】✦❇❇❇❇
🟢 沁园展示中心电话:400-185-8505【☎营销中心已认证】✦❇❇❇❇
✅◆开发商营销中心诚挚邀请,一键预约,尊享内部折扣!匠心独运的精品项目,恭候您的品鉴与选择。
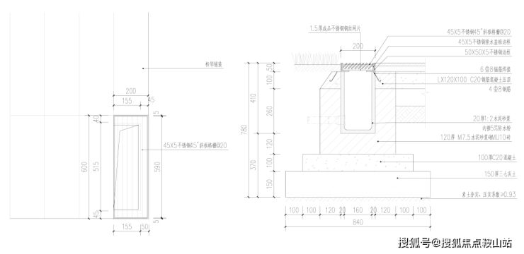
1、看房通道:
由台阶挡墙及台地种植池和廊架组成。台阶及台地种植池均为花岗岩面层,廊架为铝板外饰氟碳漆。

平面图
立面图
沿入口处规则式台地绿篱拾阶而上,质朴的廊架让下方的空间都幽静了几分,更衬得远处的景色明快动人;廊柱如画框一般框住远处的植物组团,像一幅展开的画卷,园林如画,人在画中游。

🟢 沁园售楼处电话:400-185-8505【☎售楼处已认证】✦❇❇❇❇
🟢 沁园开发商电话:400-185-8505【☎开发商已认证】✦❇❇❇❇
✅本项目暂不接受临时到访,过来参观样板房请记得提前来电预约!
🟢 沁园营销中心电话:400-185-8505【☎营销中心已认证】✦❇❇❇❇
🟢 沁园展示中心电话:400-185-8505【☎营销中心已认证】✦❇❇❇❇
✅◆开发商营销中心诚挚邀请,一键预约,尊享内部折扣!匠心独运的精品项目,恭候您的品鉴与选择。
入口处经过廊架到了入户口,正对着的视角以简约的植物组团为主,大体量花乔搭配球类和弧形修剪的绿篱,简简单单中处处体现精挑细选的植物美学。

2、串联的多个空间及道路细节
2.1水景休闲区:
由水景、景墙和休闲平台组成。水景为黑金沙花岗岩面层;景墙立面为石英砖干挂,黑钛钢板包边;休闲平台铺装为陶瓷仿石砖,原色拉丝面不锈钢收边。
平面图

🟢 沁园售楼处电话:400-185-8505【☎售楼处已认证】✦❇❇❇❇
🟢 沁园开发商电话:400-185-8505【☎开发商已认证】✦❇❇❇❇
✅本项目暂不接受临时到访,过来参观样板房请记得提前来电预约!
🟢 沁园营销中心电话:400-185-8505【☎营销中心已认证】✦❇❇❇❇
🟢 沁园展示中心电话:400-185-8505【☎营销中心已认证】✦❇❇❇❇
✅◆开发商营销中心诚挚邀请,一键预约,尊享内部折扣!匠心独运的精品项目,恭候您的品鉴与选择。
立面图

水景立面格栅为黑钛不锈钢板十字拼花。

剖面图

2.2木平台休息区:
由景墙、坐凳和塑木平台组成。景墙立面为石英砖干挂,黑钛钢板包边;坐凳为花岗岩面层;木平台为塑木地板。
平面图

🟢 沁园售楼处电话:400-185-8505【☎售楼处已认证】✦❇❇❇❇
🟢 沁园开发商电话:400-185-8505【☎开发商已认证】✦❇❇❇❇
✅本项目暂不接受临时到访,过来参观样板房请记得提前来电预约!
🟢 沁园营销中心电话:400-185-8505【☎营销中心已认证】✦❇❇❇❇
🟢 沁园展示中心电话:400-185-8505【☎营销中心已认证】✦❇❇❇❇
✅◆开发商营销中心诚挚邀请,一键预约,尊享内部折扣!匠心独运的精品项目,恭候您的品鉴与选择。
立面图


坐凳立面图
2.3南侧休憩区:
由铺装平台和绿篱组成。铺装为陶瓷仿石砖面层。
🟢 沁园售楼处电话:400-185-8505【☎售楼处已认证】✦❇❇❇❇
🟢 沁园开发商电话:400-185-8505【☎开发商已认证】✦❇❇❇❇
✅本项目暂不接受临时到访,过来参观样板房请记得提前来电预约!
🟢 沁园营销中心电话:400-185-8505【☎营销中心已认证】✦❇❇❇❇
🟢 沁园展示中心电话:400-185-8505【☎营销中心已认证】✦❇❇❇❇
✅◆开发商营销中心诚挚邀请,一键预约,尊享内部折扣!匠心独运的精品项目,恭候您的品鉴与选择。
平面图

2.4园路:
由硬质园路和塑胶跑道组成。硬质园路为陶瓷仿石砖面层;塑胶为杂色环保型EPDM颗粒。


🟢 沁园售楼处电话:400-185-8505【☎售楼处已认证】✦❇❇❇❇
🟢 沁园开发商电话:400-185-8505【☎开发商已认证】✦❇❇❇❇
✅本项目暂不接受临时到访,过来参观样板房请记得提前来电预约!
🟢 沁园营销中心电话:400-185-8505【☎营销中心已认证】✦❇❇❇❇
🟢 沁园展示中心电话:400-185-8505【☎营销中心已认证】✦❇❇❇❇
✅◆开发商营销中心诚挚邀请,一键预约,尊享内部折扣!匠心独运的精品项目,恭候您的品鉴与选择。

雨水口篦子与铺装相结合,篦子做成百叶形式。

平面图 剖面图

3、场所外围环游路线
外围环线串联多个空间,植物配置整体采用偏规则式种植手法,主要以开展的大乔木作为骨架,搭出庭院背景,以周边的密实,衬出中庭的开敞。
3.1东侧道路两侧多层次规则绿篱结合阵列大乔,尽头点景花乔收拢视线,干净简洁。

3.2西侧规则花乔、大乔结合层层绿篱,与景墙相互映衬,简约清晰。

3.3中间特选大树撑起整个内部空间的骨骼,而场地边点缀的花境组合,草坪上精心放置的雕塑,于细节处打造满满的氛围感。

4、草木葳蕤,万物可爱
项目最大的一个特点是在场地里点缀着大大小小的花境,在简洁大气的底色上又加入了精致与温柔。
4.1入口点缀的小块花境,质感对比明显,色彩柔和淡雅,融入环境而又让人难以忽略,处处藏着设计小妙思。
🟢 沁园售楼处电话:400-185-8505【☎售楼处已认证】✦❇❇❇❇
🟢 沁园开发商电话:400-185-8505【☎开发商已认证】✦❇❇❇❇
✅本项目暂不接受临时到访,过来参观样板房请记得提前来电预约!
🟢 沁园营销中心电话:400-185-8505【☎营销中心已认证】✦❇❇❇❇
🟢 沁园展示中心电话:400-185-8505【☎营销中心已认证】✦❇❇❇❇
✅◆开发商营销中心诚挚邀请,一键预约,尊享内部折扣!匠心独运的精品项目,恭候您的品鉴与选择。

4.2小路端口的花境色彩更加丰富,体量的增加,艳丽的红紫色的跳跃都使人眼前一亮。

4.3大草坪上围绕着场地周边分布着大小各异的花境组合,每个地方都与周边的硬质景观相互呼应,以植物的柔和包裹,软化硬景边角,再与上层的大乔木一起配合,共同围合着阳光明媚的内庭空间。场地里精心布置的桌椅组合,可闲坐,洽谈,可休憩,把赏……遇见此处,微风,阳光,还有触手可及的温柔花朵……

结语:
项目在22年7月施工,由于工期紧张,前后施工约半个月左右,各专业配合比较紧密,工作强度较大,但各场景方案还原度较高,随着整改阶段的调整,已呈现较佳的景观效果。

项目名称: 绿城沁园展示区
项目规模: 景观面积2500平方米
设计时间:2022年
建成时间:2022年7月
开发单位: 北京朝意房地产开发有限公司
甲方团队: 李冰剑 黄鑫
设计公司: 中节能铁汉(北京)环境规划设计有限公司
负责声明:
1、文中实景照片本公司自行拍摄。
2、部分段落、图片、音频视频文件等资料版权归版权所有人所有,如无意中侵犯了媒体或个人的知识产权,请告之我们立即予以删除。
3、在法律允许的范围内,中节能铁汉(北京)环境规划设计有限公司拥有最终解释权。
欢迎分享与联系转载。
🟢 沁园售楼处电话:400-185-8505【☎售楼处已认证】✦❇❇❇❇
🟢 沁园开发商电话:400-185-8505【☎开发商已认证】✦❇❇❇❇
✅本项目暂不接受临时到访,过来参观样板房请记得提前来电预约!
🟢 沁园营销中心电话:400-185-8505【☎营销中心已认证】✦❇❇❇❇
🟢 沁园展示中心电话:400-185-8505【☎营销中心已认证】✦❇❇❇❇
✅◆开发商营销中心诚挚邀请,一键预约,尊享内部折扣!匠心独运的精品项目,恭候您的品鉴与选择。
ZLDD丨诗情画境,雅贵意境-佳兆业郑州中牟凤鸣水岸
ZLDD | 岁月深处的柔软时光 | 北京泽信公馆(大区)
ZLDD丨嗨!来湖边撒点野!
🔷 沁园售楼处电话:400-185-8505【☎售楼处已认证】✦❇❇❇❇
🔷 沁园开发商电话:400-185-8505【☎开发商已认证】✦❇❇❇❇
🔷 沁园营销中心电话:400-185-8505【☎营销中心已认证】✦❇❇❇❇
✨✨ 沁园开发商售楼处电话:400-185-8505【预约热线】丨详细解答丨在售户型图丨项目介绍丨在售房源丨周边配套丨VR看房丨楼盘图丨沙盘图丨位置图丨配套图丨售楼处销售1V1讲解
免责声明:本宣传资料不构成邀约邀请,对周边、政府规划、商业配套、教育资源、投资前景等数据和图文仅为提供相关信息,本文如无意中侵犯了某方的知识产权告知即删,部分内容图片可能来源于网络,无法核实其真实出处,如涉及侵权请联系删除!!!