绿城宸岸新月-全城热销中
【售楼中心电话】:400-080-0105转333
预约来电尊享线上团购优惠,免费专车接送看房
开发商直销,中介勿扰!
网上营销中心24小时销售热线〢欢迎您的来电咨询〢
最近我们关注运河新城南段、中段比较多,今天换个口味,移步运河新城北。刚好今天绿城公布了其代建的运河新城北(其实我更喜欢叫这里康桥板块)项目的案名:宸岸新月。

该地块较为尴尬,北侧东侧就属于临平区了,旁边的界面也比较一般,且以回迁房为主。之前地段更好的滨江、保利项目都是续销为主,不知道绿城会拿出什么样的产品来炒热板块。
目前运河新城中段的两个绿城的案名也有了,叫汀岸印月、宸岸栖月(详情点击:绿城运河新城定案名:汀岸印月、宸岸栖月!户型图首发爆料),最近的绿城学会了滨江的套娃模式,案名也批量操作了,把宸岸印月这个案名一口气拆出了三个,服气。

宸岸新月基本情况
户型图首发
绿城·宸岸新月,也就是运河新城单元 GS1001-05地块,它位于拱墅区康桥街道龙腾街与丽水北路交叉口,步行距离在建的15号线龙腾街地铁站约650米。

地块所建商品住房毛坯销售均价不高于26500元/㎡,且毛坯销售最高单价不高于29150元/㎡。如实施装修销售的,装修价格不高于3000元/㎡,也就是说精装限价2.95万元/㎡。
根据项目规划显示,宸岸新月的产品配置基本上是这样的:

1、地块容积率2.4,均为高层建筑,但都是17层以内的。总共7幢14-17F住宅,包含了2幢14F和5幢17F高层住宅。
2、总户数424户,小区体量较小,小区带一个绿城的标配:地面泳池。
3、小区大门在西侧的丽水北路上,且只有西侧一个大门。
项目架空层层高4.8米,房源层高3米,外立面预计会对标宸岸印月,也是南面大面玻璃+东西一体板+北面涂料的形式。

绿城汀岸印月 外立面效果图
绿城汀岸印月 大门效果图

绿城汀岸印月 96方中间套户型

绿城汀岸印月

110方边套(无客厅阳台)户型
绿城汀岸印月

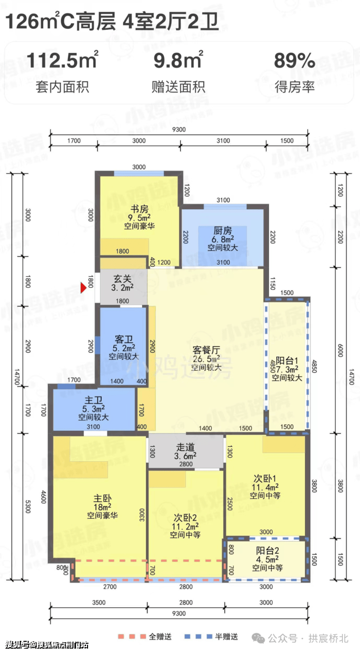
126方边套(有客厅阳台)户型
绿城宸岸新月-全城热销中

绿城宸岸新月-全城热销中
【售楼中心电话】:400-080-0105转333
预约来电尊享线上团购优惠,免费专车接送看房
开发商直销,中介勿扰!
网上营销中心24小时销售热线〢欢迎您的来电咨询〢