✨中信信悦湾✨✽✽✽✽
✨中信信悦湾售楼处电话☎:400-992-6631【售楼处认证】
✨在售户型图✨项目介绍✨最新房源✨周边配套详细解
✨*开发商营销中心诚挚邀请,一键预约,尊享内部折扣!匠心独运的精品项目,恭候您的品鉴与选择!
✅为给您更好的看房体验请提前来电预约(给您预留现场销售和停车位)
✅注意:本项目不收任何费用,售楼中心〢欢迎来电咨询〢
重要提醒
若选择线下看房,需注意:非预约客户可能被安保拦截,建议提前通过售楼处电话400-992-6631确认行程。
🐲中信信悦湾售楼处电话:400-992-6631(工作日9:00-21:00,周末无休)
🐲中信信悦湾营销中心电话:400-992-6631(可直接咨询房源动态、活动详情)
🐲中信信悦湾开发商电话:400-992-6631(开发商直连,解答项目规划、购房政策等问题)
.
发布会上,中信城开发布的几个产品细节
首先是前面说的铸铝线条外立面,这个前面说到了,它将信悦湾和其他的豪宅一下就区别开来,非常有昭示性,这点非常重要,一个顶豪产品,外立面绝对也是颜值满满。好比招商玺为什么二手卖的好能赚钱颜值也是一大亮点
(铸铝线条的外立面)
其次看到一张拥有270度环幕海景的客厅效果图,客厅采用了转角无柱设计+巨幕全景落地玻璃+LDKB一体化设计,所以效果图的景观看上去非常震撼,发布会上说主力户型都有这样的环幕海景。
🐲中信信悦湾售楼处电话:400-992-6631(工作日9:00-21:00,周末无休)
🐲中信信悦湾营销中心电话:400-992-6631(可直接咨询房源动态、活动详情)
🐲中信信悦湾开发商电话:400-992-6631(开发商直连,解答项目规划、购房政策等问题)
(景观效果图)
目前,信悦湾的户型面积主要是建面约211平的三房、建面约302平和370平的四房以及建面约510平的4+1房,所有户型都带有保姆间,建面约302平的都有L型阳台。不用说,这个建面约302平的户型会成为亿万富豪的抢夺户型,因为最稀缺产品才是最值得拥有的,对于亿万富豪来说,选户型重要的不是性价比,而是对资源的占有。
(楼下效果图)
第三个细节是它把首层住宅放到了约20米之上,推窗就是海平面,而楼下则是一个开放的空间,不仅可以和歌剧院融为一体,形成一个更开阔的步行空间,中间点缀艺术装置,也让项目更好融入到周边的文化艺术环境中,而楼上的每一户业主则会有更好的观海体验。
第四个细节是它有约3万平米的园林景观,约1.5万平的中心花园,让业主可以在小区内外都有足够的休闲空间,而且,信悦湾也是当下很少的做了户外泳池和室内会所恒温泳池的新盘,保证业主私密空间的舒适性。
(户外泳池效果图)
除了以上,信悦湾还为业主打造了高端私人会所俱乐部,这里提供餐饮、雪茄吧、恒温酒窖、健身房、泳池、高压氧舱等多种服务,围绕小区中心的下沉花园打造了深圳首座社区艺术馆,不仅呼应了歌剧院的艺术性,也让小区艺术感十足。
中信城开东角头项目规划近期也有所微改变。
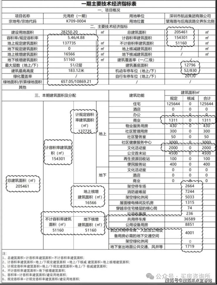
根据平面图显示,元湾府(一期)所在地块为K709-0004,即中信城开东角头项目其中一块地,另一宗地为K709-0003。该项目已更名为“中信深圳湾”。

楼栋命名修改,由座改为单元;建筑高度及层数修改,1栋一单元、二单元、五单元层数不变,建筑高度微调;1栋三单元层数由54层改为51层、高度由192.42米改为183.12米;1栋四单元层数由49层改为45层、高度由182.77米改为168.97米。塔楼和裙房建筑轮廓调整,消防登高场地微调。裙房南侧商业改为文化活动室;南侧和二期之间的连桥宽度及位置更新。架空停车场出入口由东南角调整至西南角。屋顶总平面图中增加公共配套及垃圾收集房、雨水调蓄池等的位置及范围表达。
(二)主要技术经济指标表调整🐲中信信悦湾售楼处电话:400-992-6631(工作日9:00-21:00,周末无休)
🐲中信信悦湾营销中心电话:400-992-6631(可直接咨询房源动态、活动详情)
🐲中信信悦湾开发商电话:400-992-6631(开发商直连,解答项目规划、购房政策等问题)
一期指标表修改:总建筑面积由207205平方米调整为205461平方米,计容积率建筑面积由156113平方米调整为154301平方米,容积率由5.53调整为5.46;计规定容积率建筑面积由137577平方米调整为137735平方米,其中商业面积由3153平方米调整为1311平方米,文化活动室由0平方米调整为2000平方米;地上核增建筑面积由18536平方米调整为16566平方米,地下核增建筑面积由51092平方米调整为51160平方米;建筑总高度及层数由54/2层、192.42米调整为51/2层、183.12米;建筑基底面积由11803平方米调整为12796平方米。总指标表相应修改。
无敌看海的住宅中信元湾府,隔壁一路之隔翡翠海岸都卖20万的二手房,11月5日,翡翠海岸一套177平的法拍房有21名客户参与竞拍,加价219次,最终以3606.3万成交,成交单价20.4万/平,比起拍价高出1909.5万。

由于新房现在不限价,中信东角头项目的备案价大概率会超过超总的地块价格(13.3万/平),且户型面面看海,房源多,在景观视野方面是可以秒杀中海深超总的
去年取消70/90政策后,中信东角头地块取消之前125㎡的建设,重新设定面积为211-218㎡,302㎡,370㎡和510㎡,现在方案定了,楼型和外观及户型图也出了大致的模型,预计月中开放营销中心到时候可能会有官方户型图!项目已经正式建工出地面几层了!这里由于不限价,加海景景观视野无敌,目前吹风价15-25万
△210㎡网传户型图
△370㎡网传户型图
中信东角头项目因其紧邻深圳歌剧院,加上无遮挡的海景视野一直备受瞩目,而它的每一个动态也不断成为市场上的热议话题。
据最新信息显示,该项目被正式命名为“中信深圳湾”。而今年4月份,这个标志性的豪宅项目将正式动工,它不仅代表着深圳豪宅市场的未来趋势,更是城市高端居住理念的一次飞跃。
中信深圳湾效果图
中信深圳湾位于南山后海大道与望海路交界东北角。项目规划总建筑面积约39.6万㎡,涵盖约26.9万㎡的住宅、4.4万㎡的商业、4万㎡酒店以及2.6万㎡的办公等多种业态的大型综合体,总货值超700亿。
根据招标公布显示,项目地处深圳市南山区蛇口街道,是深圳湾海岸线上的重要城市节点。基地北临翡翠海岸、澳城花园等成熟居住小区,西倚蛇口山公园,南侧与深圳市标志性的重大基础公共文化设施之一“深圳歌剧院”一路之隔,东侧毗邻深圳湾口岸,隔着望海路,可远眺深圳湾及香港。
可以说,项目的位置比之前多个日光的豪宅,都要更耀眼。
结合片区的发展目标,本项目配合片区现有的生态资源、深圳歌剧院的世界级文化资源、及成熟的生活配套资源,重塑深圳湾区的空间结构,将项目所在片区打造成为演艺文化产业聚集区,及国际化的滨海生活 “城市客厅”,共同构建出一个世界级的、具有高品质多元化空间风貌的大湾区文化引擎。

▲ 东角头现状航拍图
Aerial Photo of Dongjiaotou Area
项目的规划及建筑概念设计国际竞赛由英国法雷尔建筑设计事务所(TFP Farrells Limited)中标,设计费高达6800万元。其设计方案以人性化的街区理念和生态优先的设计策略获得认可,预计将成为深圳的新地标。
效果图
项目分为两个地块,西侧K709-0003号地块及东侧K709-0004号地块,可开发住宅建面共26.9万㎡。
K709-0003号地块土地使用权由达力公司变更至深圳市达力房地产开发有限公司。该地块占地面积约6.5万㎡,而可开发建筑面积约17.9万㎡(其中住宅可开发建筑面积14.3万㎡,商业可开发建筑面积2.9万㎡及其他配套附属设施)
K709-0004号地块,由中信城开开发。该地块占地面积约4.4万㎡,可开发建筑面积约21.7万㎡(其中住宅可开发建筑面积12.6万㎡,商业可开发建筑面积8.1万㎡及其他配套附属设施)。
项目背景
项目简介
一波三折终迎新进展
佳兆业易手中信城开
对于寸土寸金的深圳海景地块来说,中信城开东角头项目可谓是一波三折,公开资料显示,1999年,圳华港湾与深圳市规划国土局达成协议,东角头货运港口允许圳华港湾重建开发为综合商业项目,并向深圳市国土部门缴纳2.1亿元土地金。
后来达力集团还一度希望将股权由49%增资提升至80%,但深圳航运方面不同意,最终也没有成功。
佳兆业是在2013年深圳航运改制时参与进来的,以58亿的代价,佳兆业实现对深圳航运70%股权的控制。然而,在此后数年东角头地块一直未能动工,土地价值却大幅攀升。
在2021年11月,佳兆业因流动性问题,拟将出售18个深圳项目,总货值约818亿元,这份清单里就包括东角头项目。
2022年6月,佳兆业资产处置清单中最大权益货值项目——深圳南山东角头项目已正式转让予中信城开,中信城开以300亿的金额从佳兆业手中接手东角头项目。
交通配套
作为深圳湾乃至蛇口片区最后一块净地,地块三面环海,与香港隔海相望,项目地理位置十分优越,在建的13号线歌剧院站咫尺之距,临近地铁2号线东角头站,可以1站到深圳湾公园、4站到后海,地块南侧是望海路、东侧是后海滨路,无论地铁还是自驾出行都十分便捷。
商业配套
项目自带43650㎡商业,周边10-15分钟之内有半岛城邦、海上世界、太子湾K11、宝能All City、海岸城、深圳湾万象城等商业配套,购物选项丰富,商业氛围较浓。
教育配套
周边有多所知名学校,包括深圳南山外国语学校(集团)滨海学校、深圳湾学校等,可以提供优质的教育资源。项目毗邻的深圳歌剧院,将是深圳高端文化艺术的重要之地。
距离地块最近的海岸学校初中部于今年1月5号已动工,深圳湾最后一块教育用地将归属南山第二外国语集团。
综合配套
地块与在建中的歌剧院仅一路之隔,以歌剧厅、音乐厅、小歌剧厅、多功能沉浸式剧场四个厅为主;将打造成世界级高标准艺术殿堂、粤港澳大湾区国际文化交流新平台、深圳文化新地标和深圳市民艺术客厅。
项目地块周边区域成熟,海上世界文化艺术中心、滨海栈道、女娲滨海公园等大型休闲配套都在楼下,妥妥的深圳高端综合配套,豪宅标配。

免责声明:部分信息来源于网络,如果侵权,请联系及时删除